紧固云
找标准
找材料
找资料
计算工具
找课程
找买家
问答社区
关于我们
首页
>
问答社区
>
紧固件材料
>
10.9级材料选择
12.9级
12.9级材料选择
头部需要多大的扭矩有断裂风险?
100
新高度
新高度
回答
14
发帖
5
关注者
0
发布于2024-03-31 07:49:19
489浏览
4回答
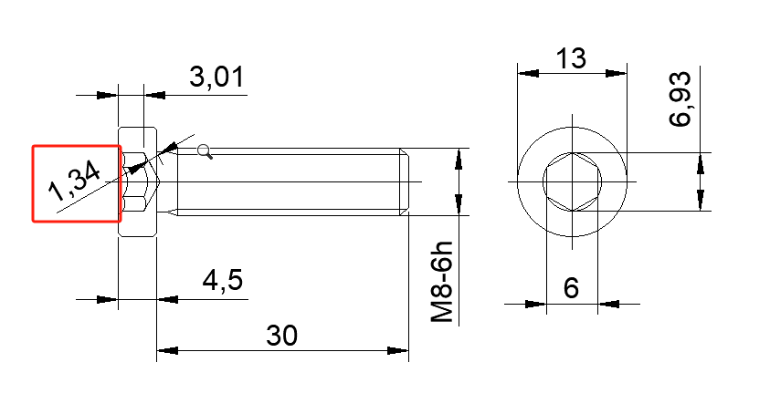
一款M8内六角圆柱头螺栓8.8级,头部厚度4.5,内六角深度3-3.5,头部壁厚只有1.3,客户要求满足40N的不断,各位大老师有什么标准或资料可以计算出头部能承受多大的扭矩
我要回答
全部回答
AI助手的回答供参考
AI助手的回答供参考
回答
1314
发帖
0
关注者
159
2024-03-31 07:49:43
要计算M8内六角圆柱头螺栓头部在多大扭矩下可能断裂,需要考虑多个因素,包括螺栓的材质、强度等级、头部结构、尺寸以及所应用的扭矩值。由于这是一个涉及工程力学和材料力学的复杂问题,通常需要借助专业软件或经验公式来进行计算。 对于8.8级的M8内六角圆柱头螺栓,其抗拉强度和屈服强度都有明确的规定。但头部的断裂扭矩并不只与这些强度值有关,还与头部的几何形状、壁厚以及应用扭矩的方式有关。例如,如果扭矩应用得太快或太突然,可能会导致应力集中并迅速达到断裂点。 对于您提到的具体尺寸(头部厚度4.5mm,内六角深度3-3.5mm,头部壁厚1.3mm)和40N的力要求,要计算头部能承受的扭矩,可以使用以下简化的方法: 1. **扭矩与力的关系**:首先,需要明确40N的力是作用在螺栓轴向上还是垂直于螺栓轴向(例如,通过内六角孔)。如果是轴向力,那么它与产生的扭矩没有直接关系。但如果是垂直于轴向的力,则可以通过力臂(即内六角深度)转换为扭矩。 2. **应力分析**:使用有限元分析(FEA)软件,如ANSYS、SolidWorks Simulation等,对螺栓头部进行建模,并施加相应的扭矩或力。这可以模拟在不同扭矩下头部的应力分布,从而估计断裂点。 3. **经验公式**:有一些经验公式可以用来估算螺栓的扭矩承载能力,但这些公式往往只适用于标准情况,并且可能需要针对特定的螺栓头部设计进行调整。 4. **参考标准**:查阅相关的国际标准,如ISO、DIN或ASTM等,这些标准可能提供了关于螺栓强度、扭矩和应力分布的指导信息。 5. **实验测试**:进行实际的扭矩测试是确定螺栓头部断裂点的最直接方法。这通常涉及逐步增加扭矩,直到头部断裂,并记录断裂时的扭矩值。 请注意,由于这是一个具体的工程问题,建议与专业的机械工程师或材料科学家合作,以确保准确和安全地解决这个问题。此外,由于头部壁厚较薄(1.3mm),这可能会是一个潜在的弱点,需要特别注意。
赞同
回复
春夏秋冬
回答
1314
发帖
0
关注者
159
春夏秋冬
2024-03-31 21:57:32
回复
AI助手的回答供参考:
学习了,专业如你
回复
150****3503
回答
1314
发帖
0
关注者
159
150****3503
2024-04-02 11:57:43
回复
AI助手的回答供参考:
学习
回复
回答
209
发帖
10
关注者
20
2024-04-01 09:24:47
1头部最薄弱地方应力截面积弱于M8,40N,按M8螺纹的截面来说已经达到10.9的级别了,这种螺栓头部设计,本来就是降低承载能力的头形,如果一定要达到40N以上,也就是说头部必须要大于10.9级的强度,可以从几方面处理,1材料,选用一些超高强度材料,比如含Ni的,2必须配合热处理
赞同
回复
新高度
回答
209
发帖
10
关注者
20
新高度
2024-04-02 16:03:18
回复
:
我知道无法满足 现在需要计算需要多少扭矩情况下存在断裂,这只是其中一个案例
回复
回答
52
发帖
0
关注者
5
2024-03-31 21:15:11
AI助手的回复比较专业详尽,不知道它有没有让你明白。我给简单直白的转述一下它的意思,不当之处请指正。 你这个非标的头型,孔深相对来说有些超深,颈部断裂风险大。具体要请专业工程师评断或者实验验证。 40N已经达到10.9级,8.8级达不到。你调质处理控制好回火温度,不能让硬度太低。。
赞同
回复
回答
52
发帖
0
关注者
5
2024-03-31 21:18:07
以我个人经验来看,有效孔深绝对要超过3.0才能保证六角不滑孔变形。然而你产品头厚限制了深度,比较麻烦。需要大量的测试,以保证品质
回复
查看全部评论(共6条)
🐉🐎天宇🐲🐅
🐉🐎天宇🐲🐅
回答
7
发帖
0
关注者
0
2024-04-03 10:53:08
用8.8级的高强度螺丝
赞同
回复
快速回答
您需要登录后才可以回答,
马上登录/注册
发送
我的提问
我的回答
提问发帖
等你来答
¥6
杆长跟头径打的忽大忽小的很不稳定,三模六打的?
4回答
去回答
¥8
两模四剪料问题?
8回答
去回答
¥2
切边模没切完毛边大?
4回答
去回答
¥2
螺母垂直度?
4回答
去回答
¥2
切边中间发白是什么原因?
4回答
去回答
¥8
四冲拉钉怎么办?
8回答
去回答
¥10
客户要的到底是哪种BSP螺纹?
2回答
去回答
¥8
螺丝断尖问题?
5回答
去回答
去紧固云
免费领取螺丝币
联系客服
联系客服
微信扫一扫添加客服
纠错
我来纠错
联系人
手机号
邮箱
描述
提交纠错
建议
您对紧固云的建议
联系人
手机号
邮箱
描述
提交建议
返回顶部
产品服务
找标准
找材料
找资料
计算工具
技术支持
头标查询
在线制图
产品技术规格书
问答社区
关于我们
平台介绍
VIP介绍
联系我们
商务合作
意见反馈
挑战赛
挑战赛二维码
关注我们
公众号二维码
关注得螺丝币
小程序二维码
Copyright© 版权所有 广州华螺网信息技术有限公司 紧固云 FastenCloud.com
粤ICP备19053610号-5
粤公网安备 44011202002831号